0 0

Stromregelventil (Reststrom drucklos)

1/2" bis 50 l/min

Art. Nr.: HZBXXX802141
Gewicht (kg): 1.1 kg
ME: Stück
Artikel ist auf Lager
Standardversand
inkl. MwSt.: 369,14
zzgl. MwSt.:
310,20
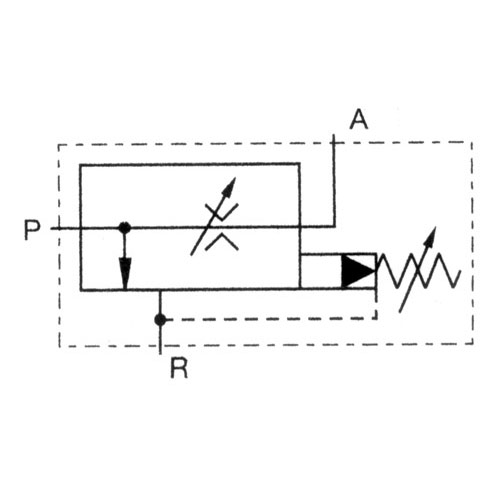
 3-Wege-Stromregelventil mit DBV (HZBXXX802141)Ein Stromregelventil dient dazu, den Eingangsstrom in einen Konstantstrom und einen Reststrom einzuteilen.´

Bei einem 3-Wege-Stromregelventil wird der Konstantstrom durch Parallelschalten einer fest einstellbaren Verengung und einer sich selbsttätig dem Druck anpassenden Regelblende erreicht, wobei der Reststrom drucklos ist. Die Regelblende gibt hier den Ablauf zum Tank frei. Ein Druckbegrenzungsventil schützt vor unzulässig hohen Drücken. 

Der Nenndurchfluss liegt bei 65 Liter/min und der Konstantstrom lässt sich auf bis zu 50 Liter/min einstellen. Der Betriebsdruck ist einstellbar auf 30 bis 310 bar.
  • Betriebsdruck einstellbar von 30-310 bar
  • Gewinde P: 3/4"; A und R: 1/2"
  • Nenndurchfluss 65 l/min
  •  unter Druck einstellbar

Noch nicht fündig geworden?